wSołtysiakSQ3WSO BlogPraktycznie o tworzeniu oprogramowania i krótkofalarstwie
02 stycznia 2026

Yaesu FT-736R i emisje cyfrowe

Niektórzy mówią, że nie da się nauczyć starego psa nowych sztuczek. Od kilku miesięcy na moim biurku gości transceiver Yaesu FT-736R, który z racji swojego wieku, nie został fabrycznie dostosowany do emisji cyfrowych takich jak np. FT8. W tym wpisie podejmę się wzbogacenia możliwości tego radia i pokażę, że można podejść do tego w sposób budżetowy.

Transceiver Yaesu FT-736R gotowy do pracy w emisji cyfrowej FT8

Założenia projektowe

Inspiracją dla tego wpisu był film FT8 Economy Style.

Do pracy w emisjach cyfrowych potrzebujemy komputera. Specjalne oprogramowanie odczytuje i generuje sygnał oraz zarządza radiem. Oznacza to, że potrzebujemy trzech połączeń:

  1. Wyjścia słuchawkowego transceivera z kartą dźwiękową komputera
  2. Wejścia mikrofonowego transceivera z kartą dźwiękową komputera
  3. Wejścia interfejsu CAT z portem USB

Już w tym miejscu mogę zaznaczyć, że punkt trzeci jest opcjonalny, szczególnie w przypadku omawianego radia. Yaesu FT-736R ma bardzo ograniczone funkcje sterowania przez zewnętrzny interfejs CAT. Będziemy mogli kontrolować z poziomu komputera wyłącznie ustawianie częstotliwości.

Osobiście zdecydowałem się wykonać komplet okablowania, jednak przez pewien czas pracowałem na trybach cyfrowych, ustawiając wszystko ręcznie. Jest to jednorazowa czynność przed rozpoczęciem pracy z radiem, która trwa około dwóch minut.

W celu uproszczenia projektu funkcję PTT (Push-to-talk) zastąpimy funkcją VOX, która również świetnie się sprawdza w praktyce.

Do pracy z łącznościami cyfrowymi będziemy używać programu WSJT-X. Wszystkie potrzebne informacje na temat pobrania, instalacji oraz przeprowadzania łączności możesz znaleźć na oficjalnej stronie projektu. We wpisie skupię się wyłącznie na konfiguracji programu z Yaesu FT-736R.

Lista zakupowa

Poniżej znajdziesz kompletną listę potrzebnych części. Wspominam także o zamiennikach, ponieważ połączenia można wykonać na kilka sposobów. Ceny są aktualne na dzień publikacji artykułu. Nie zawsze wybierałem najtańsze opcje ze względu na jakość. Potraktuj podane kwoty jako punkt odniesienia.

Przed kompletowaniem zamówienia warto zapoznać się z rodzajami złącza typu Jack, żeby zamówić prawidłowe części. Tabelę wraz ze zdjęciami znajdziesz na angielskiej Wikipedii.

Połączenie nr 1

  • adapter Jack 6.3 mm wtyk TRS - Jack 3.5 mm gniazdo TRS — 14 zł
  • adapter wtyk Jack 3.5 mm TRRS na dwa gniazda Jack 3.5 mm TRS — 6 zł (opcjonalne, jeżeli masz osobne wejście na głośnik i mikrofon w komputerze)
  • jednometrowy kabel Jack 3.5 mm wtyk TRS - Jack 3.5 mm wtyk TRS — 16 zł

Alternatywnie można kupić także kabel Jack 6.3 mm wtyk TRS - Jack 3.5 mm wtyk TRS. Osobiście zdecydowałem się na adapter, żeby móc korzystać ze swoich słuchawek przy pracy z innymi transmisjami.

Zamiast adaptera na dwa gniazda możesz użyć także dodatkowej, zewnętrznej karty dźwiękowej1.

Połączenie nr 2

  • wtyk Jack 3.5 mm TS z szybkozłączem — 8 zł
  • kable prototypowe męsko-męskie — 6 zł za 20 sztuk
  • płytka prototypowa 170 pól — 3 zł
  • rezystor 68 kΩ 0,25 W — 3 zł za 100 sztuk
  • rezystor 680 Ω 0,25 W — 3 zł za 100 sztuk
  • kondensator elektrolityczny 22 µF 25 V — 2 zł
  • gniazdo RJ-45 beznarzędziowe — 4 zł (jeżeli posiadasz wypinany mikrofon na złącze RJ-45 i chcesz używać jednego kabla)
  • wtyk mikrofonowy żeński na kabel NC 8-pin — 4 zł (jeżeli chcesz osobny kabel do łączności cyfrowych)
  • metr skrętki (8 żył) — 4 zł

Kupując wyłącznie potrzebne rezystory, wychodzi taniej, ale polecam jednak nabyć zestaw np. 400 rezystorów o różnych wartościach za ok. 10 zł. Jest to moim zdaniem praktyczniejszy zakup, jeżeli w przyszłości będziemy chcieli wykonywać inne projekty.

Zamiast skrętki, ponieważ często trzeba kupić o wiele więcej niż jeden metr, możemy użyć krótkiego patchcorda i uciąć złącza.

W mojej wersji projektu użyłem gniazda RJ-45 jako przejściówki, natomiast z perspektywy czasu kupiłbym jednak wtyk mikrofonowy i zarobiłbym go na skrętkę.

Połączenie nr 3

  • wtyk DIN-6 — 7 zł
  • konwerter USB-UART 5 V — 9 zł (polecam z zarobionymi końcówkami)
  • kable prototypowe męsko-żeńskie — 6 zł za 20 sztuk (opcjonalne, jeżeli wybrałeś konwerter z zarobionymi końcówkami)
  • jeden metr oplotu poliestrowego 16 mm — 2 zł (opcjonalne)
  • zestaw rurek termokurczliwych — 10 zł za 100 sztuk (opcjonalne)

Całkowity koszt dla wszystkich połączeń (wliczając elementy opcjonalne): 103 zł

Narzędzia

  • śrubokręt
  • multimetr — opcjonalnie, ale moim zdaniem lepiej sprawdzić połączenia przed podłączeniem do radia
  • nożyczki, cążki precyzyjne oraz ściągacz izolacji — opcjonalne narzędzia za grosze, znacząco poprawiające komfort pracy

Jeżeli wykonujesz także ostatnie połączenie, dodatkowo przygotuj:

  • lutownice
  • zapalniczkę lub zapałki

Realizacja połączeń

Mając skompletowane wszystkie części oraz narzędzia możemy zabrać się do pracy. Całość prac wraz z testami może zająć kilka godzin. W celu uniknięcia niedomówień będę posługiwał się nazewnictwem oraz numeracją złącz z oficjalnej instrukcji.

Wycinek instrukcji Yaesu FT-736R pokazujący przód radia

Wycinek instrukcji Yaesu FT-736R pokazujący tył radia

Połączenie nr 1

Na rozgrzewkę zaczniemy od najprostszego połączenia. Do złącza słuchawkowego (4) PHONES Jack wpinamy adapter Jack 6.3 mm na 3.5 mm. Do adaptera wpinamy kabel, który prowadzimy do złącza słuchawkowego w komputerze (lub w adapterze na dwa gniazda).

Połączenie nr 2

Do nadawania sygnału wykorzystamy wejście mikrofonowe (3) MIC Jack. Na początku liczyłem, że może uda się wykorzystać specjalne wejście na dane (8) DATA IN/OUT z tyłu radia oryginalne służące np. do obsługi Packet Radio. Z instrukcji wynika jednak, że jest to złącze przystosowane do komunikacji bezpośrednio z modułem FM. W interesujących nas emisjach cyfrowych będziemy natomiast korzystać z transmisji SSB.

W instrukcji mamy jedynie rozrysowany schemat połączeń mikrofonu MH-1 B8. Na jego podstawie możemy wywnioskować, że piny 7 i 8 odpowiadają za przesyłanie sygnału z mikrofonu. Pozostałe piny nas nie interesują, ich zadaniem jest obsługa przycisków oraz PTT.

Wycinek instrukcji Yaesu FT-736R pokazujący schemat połączeń mikrofony MH-1 B8

Dla potwierdzenia swojej teorii posłużyłem się jeszcze jednym źródłem opisującym dostosowanie mikrofonu MH-31 do Yaesu FT-736R.

Pierwszym krokiem będzie wyprowadzenie połączenia do tych dwóch pinów na płytkę stykową. Zdecydowałem się wykorzystać kabel z mojego mikrofonu i wpiąć go do specjalnie przygotowanego gniazda RJ-45. Alternatywnie można także zarobić wtyk mikrofonowy na skrętkę.

Skrętka, kabel mikrofonowy, gniazdo RJ-45 i płytka prototypowa

Odcinamy kawałek skrętki oraz usuwamy z obu stron około dwóch centymetrów izolacji. Rozplatamy żyły i montujemy gniazdo RJ-45. Układ żył może być losowy, nie potrzebujemy trzymać się tutaj żadnego standardu.

Następnie wpinamy kabel od mikrofonu do gniazda i sięgamy po multimetr. Ustawiamy multimetr w tryb sprawdzania ciągłości obwodu. Jedną sondę przykładamy do pinu 7, drugą szukamy żyły ze skrętki, która odpowiada za połączenie z tym pinem. Zapamiętujemy żyłę i analogicznie postępujemy z pinem 8.

Pozostałe sześć żył możemy skrócić dla wygody. Zdejmujemy około centymetra izolacji z wybranych dwóch żył i umieszczamy je w płytce prototypowej.

Wyciągnięcie pinów 7 i 8 ze złącza mikrofonowego na płytkę prototypową

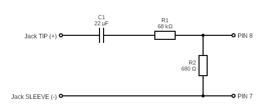
Następnym etapem jest przygotowanie dzielnika napięcia. Napięcie wychodzące z karty dźwiękowej jest zdecydowanie zbyt wysokie dla wejścia mikrofonowego w transceiverze2.

Moja propozycja to zbudowanie takiego układu z dwóch rezystorów: R₁ = 68 kΩ oraz R₂ = 680 Ω. Pozwoli nam to na ok. stokrotne (-40 dB) zmniejszenie prądu. Dodatkowo układ powinien dość dobrze wpasować się w optymalną impedancję dla złącza mikrofonowego (zgodnie z instrukcją jest to 600 Ω)3.

Dla dodatkowego zabezpieczenia, pomiędzy wyjściem z karty dźwiękowej, a rezystorem R₁, umieścimy jeszcze kondensator C₁ = 22 µF. Zablokuje on ewentualne niepożądane napięcia stałe.

Schemat połączeń pomiędzy wyjściem karty dźwiękowej i wejścia mikrofonowego transceivera Yaesu FT-736R

Efektem ubocznym jest powstanie filtra górnoprzepustowego. Przy zastosowanych elementach, częstotliwość graniczna filtra wynosi ok. 11 Hz. Jest to wartość, która nie spowoduje to problemów przy przekazywaniu sygnału z komputera do transceivera.

Na sam koniec bierzemy nasz wtyk Jack 3.5 mm TS i luzujemy śrubokrętem szybkozłącze. Wkładamy końcówki kabli prototypowych, a następnie przykręcamy. Drugi koniec kabli podłączamy do płytki prototypowej zgodnie z układem powyżej.

Kompletne połączenia złącza mikrofonowego z kartą dźwiękową

Zbliżenie na dzielnik napięcia wraz z kondensatorem zabezpieczającym układ

Po zakończeniu prób można oczywiście zrezygnować w płytki prototypowej i wszystko przylutować, ale nie uwzględniam już tego w tym wpisie.

Połączenie nr 3

Ostatnie połączenie zaczniemy od zarobienia wtyku DIN-6, który można osadzić na zwykłej skrętce. Jeżeli nie robiłeś tego wcześniej, polecam ten film instruktażowy.

Drugim sposobem jest przylutowanie sześciu kabli prototypowych. W przypadku lutowania kabli prototypowych należy dodatkowo zdjąć z nich plastikową końcówkę przez podważenie zatrzasku i starać się je lutować możliwie równolegle i blisko siebie. W przeciwnym razie możesz mieć problem z domknięciem plastikowej obudowy.

W celach estetycznych można wykończyć połączenie przez włożenie kabli w oplot, który należy przytwierdzić dwoma rurkami termokurczliwymi na obu końcach.

Teraz pozostaje nam połączyć tak zarobioną końcówkę z konwerterem USB-UART:

  • GND (Pin 1) — GND
  • S. IN (Pin 2) — TXD
  • S. OUT (Pin 4) — RXD

Schemat pokazujący piny interfejsu CAT transceivera Yaseu FT-736R

Pozostałe piny w złączu DIN oraz +5 V w konwerterze nie będą nam potrzebne. Możemy teraz podłączyć konwerter do portu USB komputera, a wtyk DIN-6 do gniazda (3) CAT DIN Jack z tyłu radia.

Gotowe połączenie dla systemu sterującego transceiverem CAT

Ustawienie radia

Mając gotowe wszystkie połączenia, możemy przejść do wstępnej konfiguracji radia. Przed uruchomieniem transceivera ustawiamy:

  • (5) MIC i (6) SQL na zero (maksymalnie w lewo)
  • (7) AF na połowę skali / “godzinę dwunastą”
  • (24) Meter Selector na DISC/ALC
  • (25) PREAMP na OFF
  • (26) Gain na OFF
  • (26) Delay na “godzinę trzecią”
  • (27) AGC na S

Wycinek frontu transceivera Yaesu FT-736R z wstępnie ustawionymi pokrętłami i przyciskami

Następnie włączamy radio i ustawiamy tryb USB przez (20) MODE Selector Pushbuttons. Jeżeli nie mamy wykonanego połączenia sterowania radiem przez CAT, należy także ustawić docelową częstotliwość. Polecam także zablokować w takim scenariuszu zmianę częstotliwości przez wciśnięcie (10) D Lock.

Ustawienie WSJT-X

Po uruchomieniu WSJT-X otwieramy ustawienia. W zakładce Radio wybieramy opcje tak jak na screenie. Wyjątkiem może być pole Serial Port, gdzie opcje zmieniają się w zależności od tego, co mamy aktualnie podłączone do komputera.

Ustawienia zakładki Radio w WSJT-X

Jeżeli nie chcesz sterować radiem przez program, ustaw pole Rig na None oraz PTT Method na VOX.

W zakładce Audio należy określić jeszcze Input oraz Output. Tutaj wszystko zależy od tego jaki, mamy komputer, czy mamy podpięte zewnętrzne karty, monitory itd., dlatego nie będę wnikał w szczegóły. Pamietaj jedynie, żeby oba interfejsy były oznaczone jako Mono.

Po zapisaniu ustawień oraz wybraniu interesującej nas transmisji musimy jeszcze dostosować empirycznie poziom głośności odbieranego sygnału oraz wzmocnienie sygnału wchodzącego ze złącza mikrofonowego.

W lewym dolnym rogu widzimy poziom głośności odbieranego audio. Możemy je korygować za pomocą (7) AF na transceiverze. Osobiście utrzymuje poziom 50-60 dB.

Ostatnim krokiem jest kalibracja nadawania. Zasada, jakiej będziemy się trzymać to manipulacja poziomem głośności na komputerze, przy utrzymaniu względnie niskiego wzmocnienia przez pokrętło (5) MIC na radiu.

Na początku ustawiamy głośność na komputerze na ok. 10% i podkręcamy (5) MIC na nie więcej niż na połowę skali oraz ustawiamy (26) Gain na “godzinę dwunastą”.

Pokrętło (26) Gain uruchamia mechanizm VOX, który zastępuje nam PTT. Zasada jest tutaj prosta — jeżeli coś trafia “na mikrofon” to radio zaczyna nadawać i po chwili, w zależności od ustawienia (26) Delay, przechodzi ponownie w tryb nasłuchu.

Następnie na wykresie wybieramy wolną część pasma i klikamy w przycisk Tune, dzięki czemu możemy bez przeszkadzania innym przeprowadzić kalibracje. Obserwujemy teraz wskaźnik (24) Meter i powoli zwiększamy poziom głośności na komputerze, aż wskazówka drgnie.

Jeżeli wskazówka się podnosi, oznacza to, że system ACL zaczął pracować i poziom głośności jest zbyt wysoki. Jeżeli mamy już poziom 85-90% głośności na komputerze, a wskazówka nadal stoi w miejscu, możemy stopniowo podkręcać (5) MIC.

Ściszamy dźwięk na komputerze o kilka procent i przełączamy (24) Meter Selector na S/PO. Wskazówka powinna wskazywać na okolice +40 dB. Oznacza to, że wszystko zrobiłeś dobrze i możesz przystąpić do pracy z emisjami cyfrowymi.

FT8 na 70 cm

Na sam koniec drobiazg związany z pasmem 70 cm. Domyślnie w WSJT-X nie da się wybrać pasma 70 cm dla FT8. Można to zmienić w prosty sposób:

  1. Wchodzimy w File → Settings → Frequencies
  2. Klikamy prawym przyciskiem myszy na tabelkę
  3. Wybieramy Insert
  4. W polu Mode wybieramy FT8
  5. W pole Frequency wpisujemy 432.174
  6. Klikamy OK

Od teraz będziemy mogli wybrać pasmo 70 cm dla FT8 analogicznie do innych.

Napotkane problemy

Podczas pracy w tej konfiguracji napotkałem kilka problemów, których dokładniej przyczyny nie udało mi się namierzyć. Nie są one specjalnie uciążliwe i można je rozwiązywać doraźnie.

Niski poziom głośności sygnału

Po rozpoczęciu pracy zdarza się, że WSJT-X wskazuje podejrzanie niski poziom głośności sygnału z radia (20-30 dB), a manipulacja pokrętłem (7) AF nic nie zmienia. W takim przypadku zwykle wystarczy poczekać kilka minut lub włączyć nadawanie. Po zakończeniu transmisji poziom głośności nagle się podnosi.

Bardzo wysoki poziom głośności sygnału

Zwykle po ponad godzinie pracy, poziom głośności sygnału zaczyna się zwiększać i osiąga wartości zbyt wysokie (75 dB i w górę), a ściszanie przez (7) AF nie przynosi rezultatu. W tej sytuacji działa wyłącznie i włączenie ponownie programu oraz transceivera.

Brak sygnału przy nadawaniu

Program WSJT-X pokazuje, że trwa nadawanie, natomiast na radiu nie załączył się system VOX. W takiej sytuacji zwykle wystarczy wyłączyć i włączyć program. Można też podłączyć słuchawki i upewnić się, że z gniazda słuchawkowego wydobywa się sygnał.

Podsumowanie

Stary sprzęt nie wyklucza pracy w emisjach cyfrowych. W takiej konfiguracji oraz ograniczonych (balkonowych) warunkach uczestniczę np. w VHF-UHF FT8 Activity. Może wyniki nie powalają, ale liczy się dobra zabawa i możliwość wypróbowania czegoś nowego. Mam nadzieję, że zachęciłem Cię do powiększenia możliwości swojego radia.

W razie pytań zapraszam do kontaktu przez link na końcu strony. 73!


  1. Taką kartę dźwiekową na USB znalazłem u siebie w szufladzie i dlatego z niej skorzystałem. Myślę jednak, że adapter na dwa gniazda byłby wygodniejszy w użyciu.

  2. Wyjście słuchawkowe mojej karty dźwiękowej przy maksymalnej głośności osiągało napięcie 400 mV. W przypadku wejść mikrofonowych mówimy raczej o wielkościach rzędu 1-10 mV. Pełne wytłumaczenie znajdziesz w tym artykule.

  3. W tym miejscu muszę się przyznać, że nie jestem tego pewien. Przez mój perfekcjonizm koniecznie chciałem wpasować się w optymalną impedancję, ale nie potrafię tego zmierzyć. Opieram się tutaj na liczeniu impedancji metodą Thévenina. Nie wiem, czy to dobry sposób. Na osłodę mogę tylko dodać, że celowanie w optimum raczej wiele nie zmienia. Złącze mikrofonowe jest w tej kwestii bardzo tolerancyjne. Przy R₁ = 470 kΩ, R₂ = 4,7 kΩ i C₁ = 1 µF też wszystko działa.

Przeczytaj inne artykuły: